Качели с двумя гнездами МКЧ-18233

Детали

Производитель

РФ

Материал

Металл

Тип оборудования

Детские качели

Страна

Россия

Ширина

1800 мм

Высота

2300 мм

Тип крепления

бетонирование

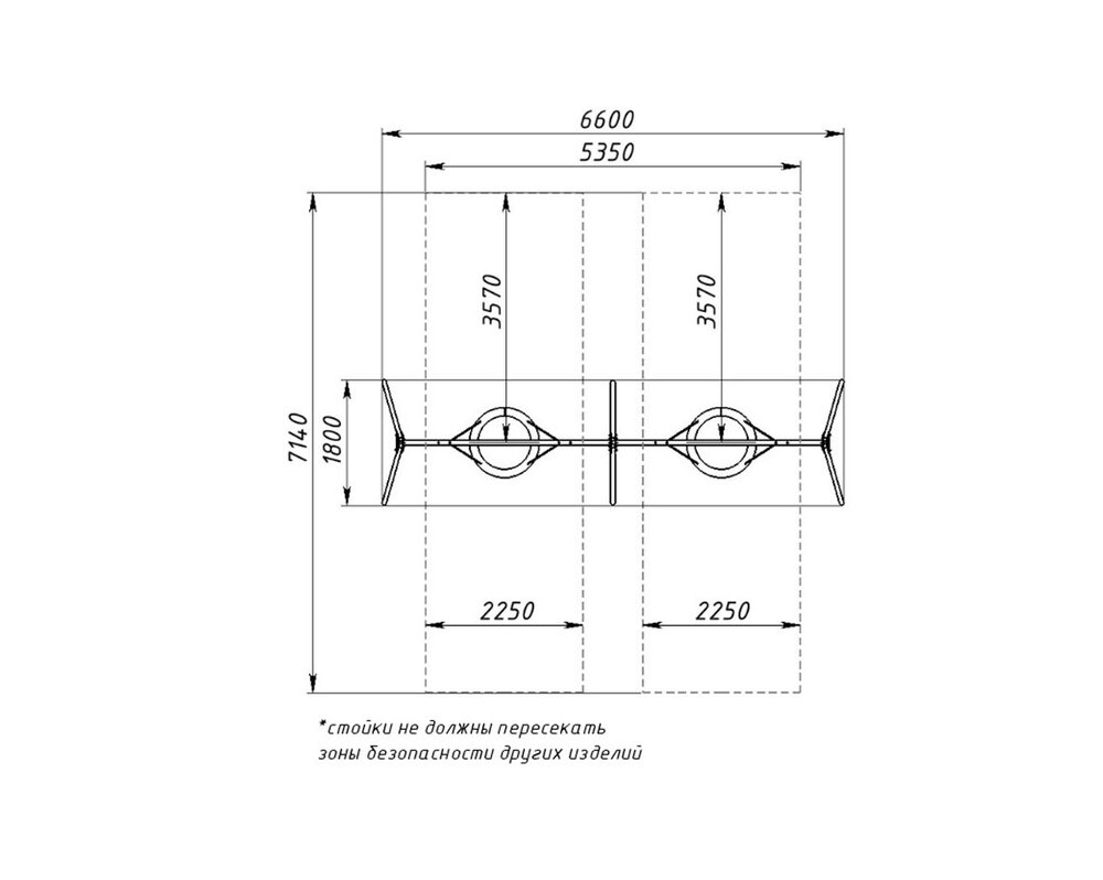
Длина

6600 мм

Возраст

3+

Зона безопасности

5350 х 7140 мм

Высота падения

1320 мм

Вес

240 кг

 

Конструкция представляет собой металлокаркас с тройной опорой и подвесными качелями. Качели-гнезда с сетчатым плетением сидений, обеспечивающие удобную посадку и позволяющие детям держаться за канаты и не упасть с гнезда. Канаты очень прочные и можно качаться сразу нескольким детям в одном гнезде, а так как качели двойные, то даже целой компаний, что поможет детям социализироваться.

Материалы:

 

 

  • металл, конструкционная сталь с порошково-полимерным покрытием по ГОСТ 9.410-88; 

     

  • канат армированный;

     

  • цепь: нержавеющая сталь;

     

  • пластик.

     

 

 

ПЕРЕЗВОНИТЬ МНЕ

Оставьте свои контактные данные и менеджер перезвонит Вам в рабочее время.

Я даю своё согласие на обработку и хранение своих персональных данных согласно правилам политики конфиденциальности компании

Я даю своё согласие на обработку и хранение своих персональных данных согласно правилам политики конфиденциальности компании

ОСТАВИТЬ ОТЗЫВ

Воспользуйтесь формой, чтоб написать отзыв о нас и нашей работе.